-
Ball Bearings
- Slewing Ring
-
Roller Bearings
- Track Rollers
-
Housing Bearings
- Split Pillow Block Housing Set SNL2-1 (self-aligning ball bearing 12: sheet steel cage)
- Split Pillow Block Housing Set SNL2-2 (self-aligning ball bearing 12-TN: plastic cage)
- Split Pillow Block Housing Set SNL2-3 (self-aligning ball bearing 22: wide, sheet steel cage)
- Split Pillow Block Housing Set SNL2-4 (self-aligning ball bearing 22: wide, plastic cage)
- more (11)
Split Pillow Block Sets
-
Plain Bearings
-
Freewheels
- Special Material
-
Accessories
- Home
- Products
- Ball Bearings
- Deep Groove Ball Bearings
- Miniature Deep Groove Ball Bearings
- Axial Deep Groove Ball Bearings
- Self-Aligning Ball Bearings
- Angular Ball Bearings
- Spindle Bearings / High Precision Angular Ball Bearings
- Axial Angular Ball Bearing
- Single Thrust Ball Bearings
- Roller Bearings
- Tapered Roller Bearings
- Spherical Roller Bearings
- Cylindrical Roller Bearings
- Crossed Roller Bearings
- Axial Cylindrical Roller Bearings
- Axial Needle Roller Bearings
- Needle Roller / Angular Contact Ball Bearing
- Needle Roller / Axial Ball Bearings
- Needle Roller Bearings
- Needle Roller / Axial Cylindrical Roller Bearings
- Track Rollers
- Housing Bearings
- Plain Bearings
- Radial Spherical Plain Bearings - Requiring Maintenance
- Radial Spherical Plain Bearings - Maintenance Free
- Rod Ends - Requiring Maintenance
- Rod Ends - Maintenance Free
- Freewheels
- Accessories
- About Us
- Contact Us
- Blog
- Send Inquiry
- Sign in
Technical Scribble
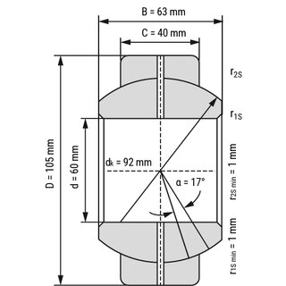
Radial Spherical Plain Bearing - Requiring Maintenance GEG60ES open 60x105x63 mm
The spherical plain radial bearing GEG60ES without seals requires maintenance and has a wider inner ring. It has a sliding contact surface combination steel/steel and is suitable for heavy static loads as well as for shock loads. The main dimensions correspond to DIN 648 — series E (DIN = German industrial norm).
Technical Data
| Inside (mm): | 60 |
| Outside (mm): | 105 |
| Width (mm): | 63 |
| Tolerance for inside (mm): | 0,03/0 |
| Tolerance for outside (mm): | 0/-0,015 |
| Tolerance for width (mm): | 0/-0,3 |
| Extended Inner Ring: | nein |
| Seal: | open |
| Ring Material: | Rolling bearing steel |
| Maintenance: | Requiring Maintenance |
| Tolerance Class: | ABEC 1 / P0 |
| Sliding Contact Surface Combination: | steel/steel |
| Product weight: | 2,0000 kg |
Item number: GEG60ES
If your demand is large, please contact us for quotation and delivery time.
Delivery time:3 to 7 business day
$ 35.67
pcs
Technical Scribble
Technical Data
| Inside (mm): | 60 |
| Outside (mm): | 105 |
| Width (mm): | 63 |
| Tolerance for inside (mm): | 0,03/0 |
| Tolerance for outside (mm): | 0/-0,015 |
| Tolerance for width (mm): | 0/-0,3 |
| Extended Inner Ring: | nein |
| Seal: | open |
| Ring Material: | Rolling bearing steel |
| Maintenance: | Requiring Maintenance |
| Tolerance Class: | ABEC 1 / P0 |
| Sliding Contact Surface Combination: | steel/steel |
| Product weight: | 2,0000 kg |
