-
Ball Bearings
- Slewing Ring
-
Roller Bearings
- Track Rollers
-
Housing Bearings
- Split Pillow Block Housing Set SNL2-1 (self-aligning ball bearing 12: sheet steel cage)
- Split Pillow Block Housing Set SNL2-2 (self-aligning ball bearing 12-TN: plastic cage)
- Split Pillow Block Housing Set SNL2-3 (self-aligning ball bearing 22: wide, sheet steel cage)
- Split Pillow Block Housing Set SNL2-4 (self-aligning ball bearing 22: wide, plastic cage)
- more (11)
Split Pillow Block Sets
-
Plain Bearings
-
Freewheels
- Special Material
-
Accessories
- Home
- Products
- Ball Bearings
- Deep Groove Ball Bearings
- Miniature Deep Groove Ball Bearings
- Axial Deep Groove Ball Bearings
- Self-Aligning Ball Bearings
- Angular Ball Bearings
- Spindle Bearings / High Precision Angular Ball Bearings
- Axial Angular Ball Bearing
- Single Thrust Ball Bearings
- Roller Bearings
- Tapered Roller Bearings
- Spherical Roller Bearings
- Cylindrical Roller Bearings
- Crossed Roller Bearings
- Axial Cylindrical Roller Bearings
- Axial Needle Roller Bearings
- Needle Roller / Angular Contact Ball Bearing
- Needle Roller / Axial Ball Bearings
- Needle Roller Bearings
- Needle Roller / Axial Cylindrical Roller Bearings
- Track Rollers
- Housing Bearings
- Plain Bearings
- Radial Spherical Plain Bearings - Requiring Maintenance
- Radial Spherical Plain Bearings - Maintenance Free
- Rod Ends - Requiring Maintenance
- Rod Ends - Maintenance Free
- Freewheels
- Accessories
- About Us
- Contact Us
- Blog
- Send Inquiry
- Sign in
- Home >
- Housing Bearings >
- Housing Units >
- Flanged Housing Units UKFL2 (Cast Iron) >
- UKFL218+H2318
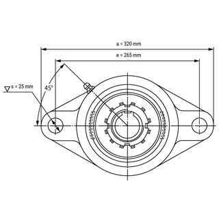
Technical Scribble
Flange Bearing / Flange Housing Unit with Adapter Sleeve UKFL218+H2318 - Shaft: 80 mm
The flange bearing UKFL218+H2318 is suitable for high radial loads and installations in various scenarios. It is particularly robust with its gray cast iron housing. The adapter sleeve required for mounting the bearing insert is included.
Technical Data
| Inside (mm): | 80 |
| Tolerance for inside (mm): | 0,03/0 |
| Shaft Fastening: | Adapter Sleeve |
| Housing Type: | Flange |
| Bearing No.: | UK 218 |
| Housing No.: | FL 218 |
| Ring Material: | Rolling bearing steel |
| Rolling Element Material: | Rolling bearing steel |
| Cage Material: | Sheet Steel |
| Housing Material: | Cast Iron |
| Tolerance Class: | ABEC 1 / P0 |
| Recommended tightening torque for housing attachment (Nm): | 550 |
| Number of Mounting Holes: | 2 |
| Product weight: | 12,0000 kg |
Item number: UKFL218+H2318
If your demand is large, please contact us for quotation and delivery time.
Delivery time:3 to 7 business day
$ 118.10
pcs
Technical Scribble
Technical Data
| Inside (mm): | 80 |
| Tolerance for inside (mm): | 0,03/0 |
| Shaft Fastening: | Adapter Sleeve |
| Housing Type: | Flange |
| Bearing No.: | UK 218 |
| Housing No.: | FL 218 |
| Ring Material: | Rolling bearing steel |
| Rolling Element Material: | Rolling bearing steel |
| Cage Material: | Sheet Steel |
| Housing Material: | Cast Iron |
| Tolerance Class: | ABEC 1 / P0 |
| Recommended tightening torque for housing attachment (Nm): | 550 |
| Number of Mounting Holes: | 2 |
| Product weight: | 12,0000 kg |
