-
Ball Bearings
- Slewing Ring
-
Roller Bearings
- Track Rollers
-
Housing Bearings
- Split Pillow Block Housing Set SNL2-1 (self-aligning ball bearing 12: sheet steel cage)
- Split Pillow Block Housing Set SNL2-2 (self-aligning ball bearing 12-TN: plastic cage)
- Split Pillow Block Housing Set SNL2-3 (self-aligning ball bearing 22: wide, sheet steel cage)
- Split Pillow Block Housing Set SNL2-4 (self-aligning ball bearing 22: wide, plastic cage)
- more (11)
Split Pillow Block Sets
-
Plain Bearings
-
Freewheels
- Special Material
-
Accessories
- Home
- Products
- Ball Bearings
- Deep Groove Ball Bearings
- Miniature Deep Groove Ball Bearings
- Axial Deep Groove Ball Bearings
- Self-Aligning Ball Bearings
- Angular Ball Bearings
- Spindle Bearings / High Precision Angular Ball Bearings
- Axial Angular Ball Bearing
- Single Thrust Ball Bearings
- Roller Bearings
- Tapered Roller Bearings
- Spherical Roller Bearings
- Cylindrical Roller Bearings
- Crossed Roller Bearings
- Axial Cylindrical Roller Bearings
- Axial Needle Roller Bearings
- Needle Roller / Angular Contact Ball Bearing
- Needle Roller / Axial Ball Bearings
- Needle Roller Bearings
- Needle Roller / Axial Cylindrical Roller Bearings
- Track Rollers
- Housing Bearings
- Plain Bearings
- Radial Spherical Plain Bearings - Requiring Maintenance
- Radial Spherical Plain Bearings - Maintenance Free
- Rod Ends - Requiring Maintenance
- Rod Ends - Maintenance Free
- Freewheels
- Accessories
- About Us
- Contact Us
- Blog
- Send Inquiry
- Sign in

Technical Scribble

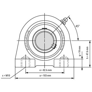
Pillow Block Housing Unit UCPW207 - Shaft: 35 mm
The pillow block bearing UCPW207 is suitable for high radial loads and is particularly robust with its gray cast iron housing.
Technical Data
Inside (mm): | 35 |
Tolerance for inside (mm): | 0,021/0 |
Shaft Fastening: | Grub Screws |
Housing Type: | Plummer Block |
Grub Screw: | M8 |
Bearing No.: | UC 207 |
Housing No.: | PW 207 |
Ring Material: | Rolling bearing steel |
Rolling Element Material: | Rolling bearing steel |
Cage Material: | Sheet Steel |
Housing Material: | Cast Iron |
Tolerance Class: | ABEC 1 / P0 |
Number of Mounting Holes: | 2 |
Fixing Thread: | M10 |
Tolerance for width Bi (mm): | 0/-0,12 |
Product weight: | 1,9100 kg |
Item number: UCPW207
If your demand is large, please contact us for quotation and delivery time.
Delivery time:3 to 7 business day
$ 15.93
pcs
Technical Scribble

Technical Data
Inside (mm): | 35 |
Tolerance for inside (mm): | 0,021/0 |
Shaft Fastening: | Grub Screws |
Housing Type: | Plummer Block |
Grub Screw: | M8 |
Bearing No.: | UC 207 |
Housing No.: | PW 207 |
Ring Material: | Rolling bearing steel |
Rolling Element Material: | Rolling bearing steel |
Cage Material: | Sheet Steel |
Housing Material: | Cast Iron |
Tolerance Class: | ABEC 1 / P0 |
Number of Mounting Holes: | 2 |
Fixing Thread: | M10 |
Tolerance for width Bi (mm): | 0/-0,12 |
Product weight: | 1,9100 kg |