-
Ball Bearings
- Slewing Ring
-
Roller Bearings
- Track Rollers
-
Housing Bearings
- Split Pillow Block Housing Set SNL2-1 (self-aligning ball bearing 12: sheet steel cage)
- Split Pillow Block Housing Set SNL2-2 (self-aligning ball bearing 12-TN: plastic cage)
- Split Pillow Block Housing Set SNL2-3 (self-aligning ball bearing 22: wide, sheet steel cage)
- Split Pillow Block Housing Set SNL2-4 (self-aligning ball bearing 22: wide, plastic cage)
- more (11)
Split Pillow Block Sets
-
Plain Bearings
-
Freewheels
- Special Material
-
Accessories
- Home
- Products
- Ball Bearings
- Deep Groove Ball Bearings
- Miniature Deep Groove Ball Bearings
- Axial Deep Groove Ball Bearings
- Self-Aligning Ball Bearings
- Angular Ball Bearings
- Spindle Bearings / High Precision Angular Ball Bearings
- Axial Angular Ball Bearing
- Single Thrust Ball Bearings
- Roller Bearings
- Tapered Roller Bearings
- Spherical Roller Bearings
- Cylindrical Roller Bearings
- Crossed Roller Bearings
- Axial Cylindrical Roller Bearings
- Axial Needle Roller Bearings
- Needle Roller / Angular Contact Ball Bearing
- Needle Roller / Axial Ball Bearings
- Needle Roller Bearings
- Needle Roller / Axial Cylindrical Roller Bearings
- Track Rollers
- Housing Bearings
- Plain Bearings
- Radial Spherical Plain Bearings - Requiring Maintenance
- Radial Spherical Plain Bearings - Maintenance Free
- Rod Ends - Requiring Maintenance
- Rod Ends - Maintenance Free
- Freewheels
- Accessories
- About Us
- Contact Us
- Blog
- Send Inquiry
- Sign in
- Home >
- Plain Bearings >
- Rod Ends - Requiring Maintenance >
- Rod Ends TSM >
- TSM16.1
Technical Scribble
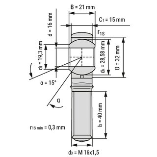
Rod End - Requiring Maintenance TSM16.1 open 16x40x21 mm
The rod end TSM16.1 without seals requires maintenance and has a sliding contact surface combination steel/bronze with good emergency running characteristics. It is suitable for static loads as well as for shock loads and has an external thread. The main dimensions correspond to DIN 648 (DIN = German industrial norm).
Technical Data
| Inside (mm): | 16 |
| Outside (mm): | 40 |
| Width (mm): | 21 |
| Tolerance for inside (mm): | 0,018/0 |
| Tolerance for width (mm): | 0/-0,12 |
| Seal: | open |
| Ring Material: | Rolling bearing steel |
| Maintenance: | Requiring Maintenance |
| Tolerance Class: | ABEC 1 / P0 |
| Mounting: | external thread (right thread) |
| Sliding Contact Surface Combination: | steel/bronze |
| Product weight: | 0,1800 kg |
Item number: TSM16.1
If your demand is large, please contact us for quotation and delivery time.
Delivery time:3 to 7 business day
$ 8.38
pcs
Technical Scribble
Technical Data
| Inside (mm): | 16 |
| Outside (mm): | 40 |
| Width (mm): | 21 |
| Tolerance for inside (mm): | 0,018/0 |
| Tolerance for width (mm): | 0/-0,12 |
| Seal: | open |
| Ring Material: | Rolling bearing steel |
| Maintenance: | Requiring Maintenance |
| Tolerance Class: | ABEC 1 / P0 |
| Mounting: | external thread (right thread) |
| Sliding Contact Surface Combination: | steel/bronze |
| Product weight: | 0,1800 kg |
