-
Ball Bearings
- Slewing Ring
-
Roller Bearings
- Track Rollers
-
Housing Bearings
- Split Pillow Block Housing Set SNL2-1 (self-aligning ball bearing 12: sheet steel cage)
- Split Pillow Block Housing Set SNL2-2 (self-aligning ball bearing 12-TN: plastic cage)
- Split Pillow Block Housing Set SNL2-3 (self-aligning ball bearing 22: wide, sheet steel cage)
- Split Pillow Block Housing Set SNL2-4 (self-aligning ball bearing 22: wide, plastic cage)
- more (11)
Split Pillow Block Sets
-
Plain Bearings
-
Freewheels
- Special Material
-
Accessories
- Home
- Products
- Ball Bearings
- Deep Groove Ball Bearings
- Miniature Deep Groove Ball Bearings
- Axial Deep Groove Ball Bearings
- Self-Aligning Ball Bearings
- Angular Ball Bearings
- Spindle Bearings / High Precision Angular Ball Bearings
- Axial Angular Ball Bearing
- Single Thrust Ball Bearings
- Roller Bearings
- Tapered Roller Bearings
- Spherical Roller Bearings
- Cylindrical Roller Bearings
- Crossed Roller Bearings
- Axial Cylindrical Roller Bearings
- Axial Needle Roller Bearings
- Needle Roller / Angular Contact Ball Bearing
- Needle Roller / Axial Ball Bearings
- Needle Roller Bearings
- Needle Roller / Axial Cylindrical Roller Bearings
- Track Rollers
- Housing Bearings
- Plain Bearings
- Radial Spherical Plain Bearings - Requiring Maintenance
- Radial Spherical Plain Bearings - Maintenance Free
- Rod Ends - Requiring Maintenance
- Rod Ends - Maintenance Free
- Freewheels
- Accessories
- About Us
- Contact Us
- Blog
- Send Inquiry
- Sign in
- Home >
- Track Rollers >
- Stud Type Track Rollers >
- Stud Type Track Rollers KRV-PP >
- KRV32-PP-2HS

Technical Scribble

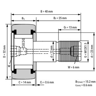
Stud Type Track Roller KRV32 PP 2HS 32x12x40 mm
Stable even in curves. The stud type track roller KRV32-PP can withstand high loads while rolling on a mating track. It is based on a full complement needle bearing and suitable for high speeds. Due to the profiled outer surface of the outer ring, it can compensate for axial loads from minor misalignments and skews.
Technical Data
Outside Cones (mm): | 12 |
Outside Roller (mm): | 32 |
Width (mm): | 40 |
Tolerance for Outside Cones (mm): | 0/-0,018 |
Tolerance for Outside Roller (mm): | 0/-0,011 |
Tolerance for width (mm): | 0/-0,12 |
Seal: | PP |
Ring Material: | Rolling bearing steel |
Rolling Element Material: | Rolling bearing steel |
Cage Material: | Sheet Steel |
Tolerance Class: | ABEC 1 / P0 |
Magnetic: | yes |
Product weight: | 0,1010 kg |
Item number: KRV32-PP-2HS
If your demand is large, please contact us for quotation and delivery time.
Delivery time:3 to 7 business day
$ 13.47
pcs
Technical Scribble

Technical Data
Outside Cones (mm): | 12 |
Outside Roller (mm): | 32 |
Width (mm): | 40 |
Tolerance for Outside Cones (mm): | 0/-0,018 |
Tolerance for Outside Roller (mm): | 0/-0,011 |
Tolerance for width (mm): | 0/-0,12 |
Seal: | PP |
Ring Material: | Rolling bearing steel |
Rolling Element Material: | Rolling bearing steel |
Cage Material: | Sheet Steel |
Tolerance Class: | ABEC 1 / P0 |
Magnetic: | yes |
Product weight: | 0,1010 kg |