-
Ball Bearings
- Slewing Ring
-
Roller Bearings
- Track Rollers
-
Housing Bearings
- Split Pillow Block Housing Set SNL2-1 (self-aligning ball bearing 12: sheet steel cage)
- Split Pillow Block Housing Set SNL2-2 (self-aligning ball bearing 12-TN: plastic cage)
- Split Pillow Block Housing Set SNL2-3 (self-aligning ball bearing 22: wide, sheet steel cage)
- Split Pillow Block Housing Set SNL2-4 (self-aligning ball bearing 22: wide, plastic cage)
- more (11)
Split Pillow Block Sets
-
Plain Bearings
-
Freewheels
- Special Material
-
Accessories
- Home
- Products
- Ball Bearings
- Deep Groove Ball Bearings
- Miniature Deep Groove Ball Bearings
- Axial Deep Groove Ball Bearings
- Self-Aligning Ball Bearings
- Angular Ball Bearings
- Spindle Bearings / High Precision Angular Ball Bearings
- Axial Angular Ball Bearing
- Single Thrust Ball Bearings
- Roller Bearings
- Tapered Roller Bearings
- Spherical Roller Bearings
- Cylindrical Roller Bearings
- Crossed Roller Bearings
- Axial Cylindrical Roller Bearings
- Axial Needle Roller Bearings
- Needle Roller / Angular Contact Ball Bearing
- Needle Roller / Axial Ball Bearings
- Needle Roller Bearings
- Needle Roller / Axial Cylindrical Roller Bearings
- Track Rollers
- Housing Bearings
- Plain Bearings
- Radial Spherical Plain Bearings - Requiring Maintenance
- Radial Spherical Plain Bearings - Maintenance Free
- Rod Ends - Requiring Maintenance
- Rod Ends - Maintenance Free
- Freewheels
- Accessories
- About Us
- Contact Us
- Blog
- Send Inquiry
- Sign in
- Home >
- Accessories >
- Adapter Sleeves >
- Adapter Sleeves H31 >
- H3130

Technical Scribble

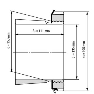
Adapter Sleeve H3130 135x195x111 mm
The adapter sleeve H3130 allows the assembly and fine adjustment of a rolling bearing with a tapered bore on a shaft.
Technical Data
Inside (mm): | 135 |
Outside (mm): | 195 |
Width (mm): | 111 |
For Shaft Bore (mm): | 150 |
Product weight: | 5,7000 kg |
Item number: H3130
If your demand is large, please contact us for quotation and delivery time.
Delivery time:3 to 7 business day
$ 111.03
pcs
Technical Scribble

Technical Data
Inside (mm): | 135 |
Outside (mm): | 195 |
Width (mm): | 111 |
For Shaft Bore (mm): | 150 |
Product weight: | 5,7000 kg |