-
Ball Bearings
- Slewing Ring
-
Roller Bearings
- Track Rollers
-
Housing Bearings
- Split Pillow Block Housing Set SNL2-1 (self-aligning ball bearing 12: sheet steel cage)
- Split Pillow Block Housing Set SNL2-2 (self-aligning ball bearing 12-TN: plastic cage)
- Split Pillow Block Housing Set SNL2-3 (self-aligning ball bearing 22: wide, sheet steel cage)
- Split Pillow Block Housing Set SNL2-4 (self-aligning ball bearing 22: wide, plastic cage)
- more (11)
Split Pillow Block Sets
-
Plain Bearings
-
Freewheels
- Special Material
-
Accessories
- Home
- Products
- Ball Bearings
- Deep Groove Ball Bearings
- Miniature Deep Groove Ball Bearings
- Axial Deep Groove Ball Bearings
- Self-Aligning Ball Bearings
- Angular Ball Bearings
- Spindle Bearings / High Precision Angular Ball Bearings
- Axial Angular Ball Bearing
- Single Thrust Ball Bearings
- Roller Bearings
- Tapered Roller Bearings
- Spherical Roller Bearings
- Cylindrical Roller Bearings
- Crossed Roller Bearings
- Axial Cylindrical Roller Bearings
- Axial Needle Roller Bearings
- Needle Roller / Angular Contact Ball Bearing
- Needle Roller / Axial Ball Bearings
- Needle Roller Bearings
- Needle Roller / Axial Cylindrical Roller Bearings
- Track Rollers
- Housing Bearings
- Plain Bearings
- Radial Spherical Plain Bearings - Requiring Maintenance
- Radial Spherical Plain Bearings - Maintenance Free
- Rod Ends - Requiring Maintenance
- Rod Ends - Maintenance Free
- Freewheels
- Accessories
- About Us
- Contact Us
- Blog
- Send Inquiry
- Sign in
Technical Scribble
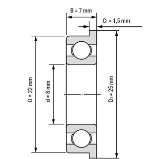
Miniature Flanged Ball Bearing F 608 open / F608 open 8x22x7 mm
For use in special conditions. The miniature ball bearing F-608 is small and suitable for installation with limited space and on thin shafts. With the flange, it can be fixed axially, e.g. in bore holes. It can withstand very high speeds. It has metric special dimensions.
Technical Data
| Inside (mm): | 8 |
| Outside (mm): | 22 |
| Width (mm): | 7 |
| Tolerance for inside (mm): | 0/-0,008 |
| Tolerance for outside (mm): | 0/-0,009 |
| Tolerance for width (mm): | 0/-0,12 |
| Tolerance for flange-outside (mm): | 0,33/-0,052 |
| Flange (mm): | 25 |
| Rows Of Balls: | single row |
| Seal: | open |
| Internal Clearance: | CN (Standard) |
| Flange: | yes |
| Slot & Snap Ring: | no |
| Ring Material: | Rolling bearing steel |
| Rolling Element Material: | Rolling bearing steel |
| Cage Material: | Sheet Steel |
| Full Complement Ball Set: | no |
| Tolerance Class: | ABEC 1 / P0 |
| Type of lubrication: | greased |
| Magnetic: | yes |
| Product weight: | 0,0130 kg |
Item number: F-608
If your demand is large, please contact us for quotation and delivery time.
Delivery time:3 to 7 business day
$ 1.84
pcs
Technical Scribble
Technical Data
| Inside (mm): | 8 |
| Outside (mm): | 22 |
| Width (mm): | 7 |
| Tolerance for inside (mm): | 0/-0,008 |
| Tolerance for outside (mm): | 0/-0,009 |
| Tolerance for width (mm): | 0/-0,12 |
| Tolerance for flange-outside (mm): | 0,33/-0,052 |
| Flange (mm): | 25 |
| Rows Of Balls: | single row |
| Seal: | open |
| Internal Clearance: | CN (Standard) |
| Flange: | yes |
| Slot & Snap Ring: | no |
| Ring Material: | Rolling bearing steel |
| Rolling Element Material: | Rolling bearing steel |
| Cage Material: | Sheet Steel |
| Full Complement Ball Set: | no |
| Tolerance Class: | ABEC 1 / P0 |
| Type of lubrication: | greased |
| Magnetic: | yes |
| Product weight: | 0,0130 kg |
