-
Ball Bearings
- Slewing Ring
-
Roller Bearings
- Track Rollers
-
Housing Bearings
- Split Pillow Block Housing Set SNL2-1 (self-aligning ball bearing 12: sheet steel cage)
- Split Pillow Block Housing Set SNL2-2 (self-aligning ball bearing 12-TN: plastic cage)
- Split Pillow Block Housing Set SNL2-3 (self-aligning ball bearing 22: wide, sheet steel cage)
- Split Pillow Block Housing Set SNL2-4 (self-aligning ball bearing 22: wide, plastic cage)
- more (11)
Split Pillow Block Sets
-
Plain Bearings
-
Freewheels
- Special Material
-
Accessories
- Home
- Products
- Ball Bearings
- Deep Groove Ball Bearings
- Miniature Deep Groove Ball Bearings
- Axial Deep Groove Ball Bearings
- Self-Aligning Ball Bearings
- Angular Ball Bearings
- Spindle Bearings / High Precision Angular Ball Bearings
- Axial Angular Ball Bearing
- Single Thrust Ball Bearings
- Roller Bearings
- Tapered Roller Bearings
- Spherical Roller Bearings
- Cylindrical Roller Bearings
- Crossed Roller Bearings
- Axial Cylindrical Roller Bearings
- Axial Needle Roller Bearings
- Needle Roller / Angular Contact Ball Bearing
- Needle Roller / Axial Ball Bearings
- Needle Roller Bearings
- Needle Roller / Axial Cylindrical Roller Bearings
- Track Rollers
- Housing Bearings
- Plain Bearings
- Radial Spherical Plain Bearings - Requiring Maintenance
- Radial Spherical Plain Bearings - Maintenance Free
- Rod Ends - Requiring Maintenance
- Rod Ends - Maintenance Free
- Freewheels
- Accessories
- About Us
- Contact Us
- Blog
- Send Inquiry
- Sign in
Technical Scribble
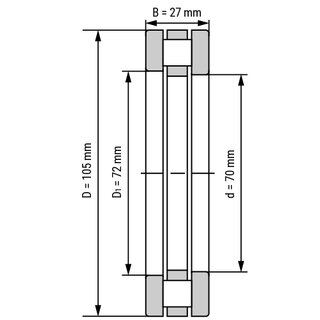
Axial Cylindrical Roller Bearing 81214-TN 70x105x27 mm
For forces in the shaft direction. The axial cylindrical roller bearing 81214-TN absorbs high loads from an axial direction and can be dismantled. Main dimensions according to DIN 722.
Technical Data
| Inside (mm): | 70 |
| Outside (mm): | 105 |
| Width (mm): | 27 |
| Tolerance for inside (mm): | 0/-0,015 |
| Tolerance for outside (mm): | 0/-0,022 |
| Tolerance for width (mm): | 0/-0,3 |
| Ring Material: | Rolling bearing steel |
| Rolling Element Material: | Rolling bearing steel |
| Cage Material: | Plastic |
| Tolerance Class: | ABEC 1 / P0 |
| Magnetic: | yes |
| Product weight: | 0,7290 kg |
Item number: 81214-TN
If your demand is large, please contact us for quotation and delivery time.
Delivery time:3 to 7 business day
$ 43.40
pcs
Technical Scribble
Technical Data
| Inside (mm): | 70 |
| Outside (mm): | 105 |
| Width (mm): | 27 |
| Tolerance for inside (mm): | 0/-0,015 |
| Tolerance for outside (mm): | 0/-0,022 |
| Tolerance for width (mm): | 0/-0,3 |
| Ring Material: | Rolling bearing steel |
| Rolling Element Material: | Rolling bearing steel |
| Cage Material: | Plastic |
| Tolerance Class: | ABEC 1 / P0 |
| Magnetic: | yes |
| Product weight: | 0,7290 kg |
