-
Ball Bearings
- Slewing Ring
-
Roller Bearings
- Track Rollers
-
Housing Bearings
- Split Pillow Block Housing Set SNL2-1 (self-aligning ball bearing 12: sheet steel cage)
- Split Pillow Block Housing Set SNL2-2 (self-aligning ball bearing 12-TN: plastic cage)
- Split Pillow Block Housing Set SNL2-3 (self-aligning ball bearing 22: wide, sheet steel cage)
- Split Pillow Block Housing Set SNL2-4 (self-aligning ball bearing 22: wide, plastic cage)
- more (11)
Split Pillow Block Sets
-
Plain Bearings
-
Freewheels
- Special Material
-
Accessories
- Home
- Products
- Ball Bearings
- Deep Groove Ball Bearings
- Miniature Deep Groove Ball Bearings
- Axial Deep Groove Ball Bearings
- Self-Aligning Ball Bearings
- Angular Ball Bearings
- Spindle Bearings / High Precision Angular Ball Bearings
- Axial Angular Ball Bearing
- Single Thrust Ball Bearings
- Roller Bearings
- Tapered Roller Bearings
- Spherical Roller Bearings
- Cylindrical Roller Bearings
- Crossed Roller Bearings
- Axial Cylindrical Roller Bearings
- Axial Needle Roller Bearings
- Needle Roller / Angular Contact Ball Bearing
- Needle Roller / Axial Ball Bearings
- Needle Roller Bearings
- Needle Roller / Axial Cylindrical Roller Bearings
- Track Rollers
- Housing Bearings
- Plain Bearings
- Radial Spherical Plain Bearings - Requiring Maintenance
- Radial Spherical Plain Bearings - Maintenance Free
- Rod Ends - Requiring Maintenance
- Rod Ends - Maintenance Free
- Freewheels
- Accessories
- About Us
- Contact Us
- Blog
- Send Inquiry
- Sign in
- Home >
- Ball Bearings >
- Angular Ball Bearings >
- Double Row Angular Contact Ball Bearings >
- 3004-2RS-TN
Technical Scribble
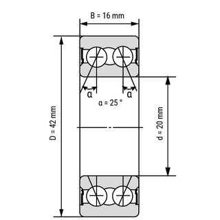
Angular Ball Bearing 3004 2RS TN 20x42x16 mm
Double row design for higher load capacity. The double-row angular contact ball bearing 3004-2RS-TN is ideal for high combined loads from the radial and axial directions. Main dimensions according to DIN 628-3.
Technical Data
| Inside (mm): | 20 |
| Outside (mm): | 42 |
| Width (mm): | 16 |
| Tolerance for inside (mm): | 0/-0,01 |
| Tolerance for outside (mm): | 0/-0,011 |
| Tolerance for width (mm): | 0/-0,12 |
| Contact Angle: | 25 |
| Rows Of Balls: | double row |
| Seal: | 2RS |
| Ring Material: | Rolling bearing steel |
| Rolling Element Material: | Rolling bearing steel |
| Cage Material: | Plastic |
| Tolerance Class: | ABEC 1 / P0 |
| Type of lubrication: | greased |
| Magnetic: | yes |
| Lifetime lubricated: | yes |
| Product weight: | 0,0952 kg |
Item number: 3004-2RS-TN
If your demand is large, please contact us for quotation and delivery time.
Delivery time:3 to 7 business day
$ 6.93
pcs
Technical Scribble
Technical Data
| Inside (mm): | 20 |
| Outside (mm): | 42 |
| Width (mm): | 16 |
| Tolerance for inside (mm): | 0/-0,01 |
| Tolerance for outside (mm): | 0/-0,011 |
| Tolerance for width (mm): | 0/-0,12 |
| Contact Angle: | 25 |
| Rows Of Balls: | double row |
| Seal: | 2RS |
| Ring Material: | Rolling bearing steel |
| Rolling Element Material: | Rolling bearing steel |
| Cage Material: | Plastic |
| Tolerance Class: | ABEC 1 / P0 |
| Type of lubrication: | greased |
| Magnetic: | yes |
| Lifetime lubricated: | yes |
| Product weight: | 0,0952 kg |
